ПРА 1И150ДНаТ46-009УХЛ1 220В без ИЗУ

Область применения: |
|
Назначение: |
|
Источник света: | Натриевая лампа (ДНаТ) |
Номинальное напряжение: | 220 В |
Номинальная частота: | 50 Гц |
Класс защиты по току: | I |
Климатическое исполнение: | УХЛ1 |
Артикул производителя: | 1И150ДНаТ46-009УХЛ1 |
Мощность: | 150 Вт |
Гарантийный срок: | 18 |
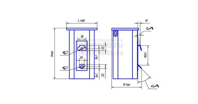
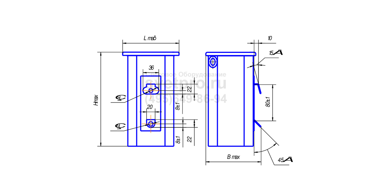
Габаритные размеры: | см. чертёж |
Масса: | 3,2 кг |
Коэффициент мощности: | 0,43 |
Потери мощности: | 19,5 Вт |
Ток сети: | 1,8 А |
Пусковой ток лампы: | 3,2 А |
Наличие: | |
Количество: | |
Цвет свечения: |
Производитель «GALAD», Россия
ОПИСАНИЕ
ОСНОВНЫЕ СВЕДЕНИЯ ОБ ИЗДЕЛИИ И ТЕХНИЧЕСКИЕ ДАННЫЕ
Аппарат пускорегулирующий 1И150ДНаТ46-009УХЛ1 предназначен для обеспечения режима зажигания и стабилизации тока разрядных ламп высокого давления типа ДНаТ150 при включении их в сеть переменного тока частоты 50 Гц с номинальным напряжением 220В.
Аппарат используется совместно с импульсным зажигающим устройством
Аппарат предназначен для эксплуатации при температуре воздуха от плюс 40 до минус 60ºС среднегодовой относительной влажности 75% при 15ºС в условиях умеренно-холодного климата.
Технические характеристики приведены в таблице.
Напряжение на дросселе, В | 178 |
Рабочий ток, А | 1,8 |
Ток короткого замыкания, А, не более | 3,2 |
Потери мощности, Вт не более | 19,5 |
Коэффициент мощности, не менее | 0,43 |
Класс защиты аппарата от поражения электрическим током – 1 по ГОСТ12.2.007.0-75
Содержание меди в аппарате – 0,340 кг.
КОМПЛЕКТНОСТЬ
В комплект поставки входит:
- аппарат пускорегулирующий - 1 шт.
- упаковка аппарата - 1 комплект на 4 аппарата
- паспорт - 1 экз.
Габаритные, установочные размеры и масса аппарата приведены в разделе "габаритные размеры".
РЕСУРСЫ, СРОКИ СЛУЖБЫ И ХРАНЕНИЯ И ГАРАНТИИ ИЗГОТОВИТЕЛЯ
Срок службы аппарата 10 лет.
Средний срок сохраняемости аппарата до ввода в эксплуатацию не более 2-х лет.
Предприятие-изготовитель гарантирует соответствие аппарата требованиям технических условий «Аппараты пускорегулирующие» ИЖЯН.675832.330ТУ при соблюдении условий монтажа, эксплуатации, транспортирования и хранения.
Гарантийный срок эксплуатации 18 мес. со дня ввода в эксплуатацию, но не более 24 мес. со дня отгрузки.
ПОДГОТОВКА ИЗДЕЛИЯ К ИСПОЛЬЗОВАНИЮ
Аппарат, предназначенный для эксплуатации на открытом воздухе установить в вертикальном положении (крышкой вверх), а для работы в производственных помещениях может устанавливаться в вертикальном и горизонтальном положениях. Установка аппарата производится на специальную лапку, приваренную к кожуху.
Для подключения аппарата к сети и лампе нужно:
- снять крышку, отвернув винты;
- пропустить кабели через ниппели и произвести монтаж согласно схемы, указанной на рисунке ниже;
- установить крышку в первоначальное положение, закрутив винты.
ГАБАРИТНЫЕ РАЗМЕРЫ
Похожие товары

1И50ДНаТ46-007УХЛ1 220В с ИЗУ

1И50ДНаТ46-007УХЛ1 220В с ИЗУ

1И50ДНаТ46-007УХЛ1 220В с ИЗУ

1И50ДНаТ46-007УХЛ1 220В с ИЗУ

1К70ДНаТ46-012УХЛ1 220В с ИЗУ

1К70ДНаТ46-012УХЛ1 220В с ИЗУ

1К70ДНаТ46-012УХЛ1 220В с ИЗУ

1К70ДНаТ46-012УХЛ1 220В с ИЗУ
Вы недавно смотрели
