DLG Светильник типа Downlight под КЛЛ
| Область применения: |
|
| Назначение: |
|
| Мощность: | 13-64 Вт |
| Источник света: | Компактная люминесцентная лампа (КЛЛ) |
| Цоколь: | G24q2, G24q1, G24q3 |
| Номинальное напряжение: | 230 В |
| Класс защиты по току: | I |
| Класс защиты IP: | IP44/IP20 |
| Климатическое исполнение: | УХЛ4 |
| Артикул производителя: | DLG |
| Гарантийный срок: | 3 года |
| Габаритные размеры: | см. чертёж |
| Наличие: | |
| Количество: | |
| Цвет свечения: |
Производитель «Световые технологии», Россия
ОПИСАНИЕ
Осветительные приборы DLG устанавливают в торговых залах и офисных кабинетах, столовых, кафе, мастерских бытового обслуживания, в холлах и фойе объектов досуга.
Встраиваемая часть изделия погружается в вырез потолка из гипсокартона или ячейку, образованную профилем потолков типа Армстронг.
Модельный ряд обеспечивает выбор одно или двухламповых изделий. Мощность применяемых КЛЛ составляет от 13 до 32 Ватт. Для установки более мощных источников света, увеличивается габаритный формат светильников: диаметр (198 и 236 мм) и высота (126, 135, 148 мм). Электропитание и зажигание ламп обеспечивает ЭПРА. Он имеет выносной вариант и помещается на корпус осветительного прибора, увеличивая его высоту на 30 или 45 мм. Излучаемый свет равномерен, пульсации составляют менее 3%, активное использование мощности характеризует cosϕ>0,96.
Купольный зеркальный отражатель вставлен в алюминиевое кольцо, декорирующее область встраивания. Окрашивание, выполненное порошковым методом, имеет белый цвет. Наличие матированного силикатного стекла минимизирует слепящее действие. Плотность его прилегания позволяет обеспечить степень защиты оптики – IP44. Защита электрического отсека – IP20.
Светильник соответствует требованиям безопасности ТР ТС 004/2011 «О безопасности низковольтного оборудования», ТР ТС 020/2011 «Электромагнитная совместимость технических средств». Коэффициент мощности – не менее 0,95.
Комплект поставки
Светильник (без ламп), шт. - 1
Упаковка, шт. - 1
Паспорт, шт. - 1
Установка
Встраиваются в подвесные потолки типа Армстронг или в подшивные потолки из гипсокартона.
Конструкция
Зеркальный отражатель в окрашенном кольце. В одноламповом светильнике пускорегулирующая аппаратура установлена на корпусе (высота светильника увеличивается на 30 мм). В двухламповом светильнике пускорегулирующая аппаратура помещена в выносном боксе. Выносной бокс может устанавливаться как на поверхность подвесного потолка, так и на корпус светильника. В светильниках с ЭПРА пускорегулирующая аппаратура устанавливается на корпусе (высота светильника увеличивается на 45 мм).
Оптическая часть
Зеркальный отражатель из анодированного алюминия и силикатное матированное стекло. IP44 по оптической части.
Параметры
| Диммирование | - |
| cosFI | > 0,96 |
| AC/DC | - |
| EMC | Да |
| Температурный режим | +5,+35 C |
| Цвет корпуса | белый |
| Класс пожароопасности | - |
| Коэффициент пульсации | <3%, >20% |
| Ударопрочность | - |
| Класс энергоэффективности | B…A+ |
| Блок аварийного питания | Да |
КСС
| DLG 113 HF | DLG 118 HF | DLG 126 HF | DLG 132 |
|
|
|
|
| DLG 213 HF | DLG 218 HF | DLG 226 HF | DLG 232 |
|
|
|
|
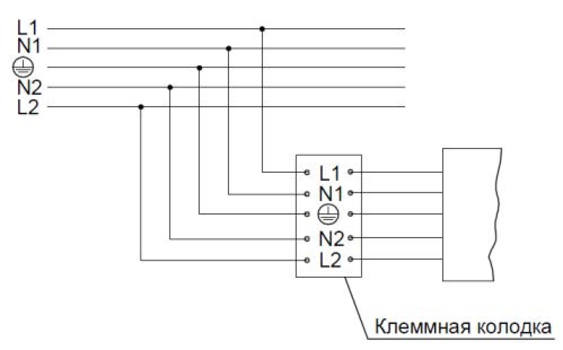
Схема электрических соединений
| Блок резервного питания | K-кл. колодка |
|
|
ГАБАРИТНЫЕ РАЗМЕРЫ
Таблица кодов заказа светильников
| Название | Кол-во ламп | Мощность | Балласт | Цоколь | Тип лампы | Диаметр | Высота | Артикул |
|---|---|---|---|---|---|---|---|---|
| DLG 113 HF | 1 | 13 Вт | ЭПРА | G24q-1 | КЛЛ | 198 мм | 126 мм | 1183000030 |
| DLG 118 HF | 1 | 18 Вт | ЭПРА | G24q-2 | КЛЛ | 198 мм | 135 мм | 1183000100 |
| DLG 118 HF ES1 | 1 | 18 Вт | ЭПРА | G24q-2 | КЛЛ | 198 мм | 126 мм | 1183000110 |
| DLG 126 HF | 1 | 26 Вт | ЭПРА | G24q-3 | КЛЛ | 236 мм | 148 мм | 1183000150 |
| DLG 132 | 1 | 32 Вт | ЭПРА | GX24q-3 | КЛЛ | 236 мм | 148 мм | 1183000220 |
| DLG 213 HF | 2 | 26 Вт | ЭПРА | G24q-1 | КЛЛ | 198 мм | 126 мм | 1183000260 |
| DLG 218 HF | 2 | 36 Вт | ЭПРА | G24q-2 | КЛЛ | 198 мм | 126 мм | 1183000320 |
| DLG 218 HF ES1 | 2 | 36 Вт | ЭПРА | G24q-2 | КЛЛ | 198 мм | 126 мм | 1183000330 |
| DLG 226 HF | 2 | 52 Вт | ЭПРА | G24q-3 | КЛЛ | 236 мм | 148 мм | 1183000420 |
| DLG 226 HF ES1 | 2 | 52 Вт | ЭПРА | G24q-3 | КЛЛ | 236 мм | 148 мм | 1183000430 |
| DLG 232 | 2 | 64 Вт | ЭПРА | GX24q-3 | КЛЛ | 236 мм | 148 мм | 1183000500 |
Похожие товары
Downlight светильники на объектах
Перейти в галерею


