DLK Светильник типа Downlight под КЛЛ
| Область применения: |
|
| Назначение: |
|
| Мощность: | 36-52 Вт |
| Источник света: | Компактная люминесцентная лампа (КЛЛ) |
| Цоколь: | G24q3, G24q2 |
| Номинальное напряжение: | 230 В |
| Класс защиты по току: | I |
| Класс защиты IP: | IP20 |
| Климатическое исполнение: | УХЛ4 |
| Артикул производителя: | DLK |
| Гарантийный срок: | 3 года |
| Габаритные размеры: | см. чертёж |
| Наличие: | |
| Количество: | |
| Цвет свечения: |
Производитель «Световые технологии», Россия
ОПИСАНИЕ
Осветительные приборы DLK позволяют зонировать офисные помещения, обеспечить уединенную атмосферу в ресторане или кафе, акцентировать внимание на товарной группе в торговом центре.
Модель встраивают в ниши потолков, подшитых гипсокартоном или ячейки, образованные профилем потолков типа Армстронг.
ЭПРА находится за пределами корпуса, но связан с источником света питающим кабелем. Световой поток, излучаемый двумя КЛЛ (18 или 26 Вт), распределяется под воздействием отражателя. При этом обеспечивается формирование защитного угла светильника. Слепящее воздействие света исключает матовый рассеиватель – плоское стекло, установленное в декоративную рамку. Рамка закрывает контур области встраивания. Пульсации светового потока, составляющего 2400 или 3600 лм, составляют менее 3%. Имеется версия с блоком аварийного питания.
Форма алюминиевой рамки – квадрат со стороной 270 мм. Так встроенный светильник DLK воспринимается визуально. Металлические части покрывает слой белого порошкового окрашивания. Переходом на аварийный режим работы светильников, комплектуемых БАП, управляет устройство TELEMANDO. Крепление отражателя – двухстоечное.
Светильник соответствует требованиям безопасности ТР ТС 004/2011 «О безопасности низковольтного оборудования», ТР ТС 020/2011 «Электромагнитная совместимость технических средств». Коэффициент мощности – не менее 0,95.
Комплект поставки
Светильник (без ламп), шт. - 1
Упаковка, шт. - 1
Паспорт, шт. - 1
Установка
Встраиваются в подвесные потолки типа Армстронг или в подшивные потолки из гипсокартона.
Конструкция
Двухстоечное крепление зеркального отражателя в алюминиевой окрашенной рамке. Пускорегулирующая аппаратура помещена в выносном боксе, электрически связанном с корпусом светильника.
Оптическая часть
Силикатное матированное стекло, установленное в декоративной алюминиевой рамке.
Параметры
| Диммирование | - |
| cosFI | > 0,96 |
| AC/DC | - |
| EMC | Да |
| Температурный режим | +5,+35 C |
| Цвет корпуса | белый |
| Класс пожароопасности | - |
| Коэффициент пульсации | <3% |
| Ударопрочность | - |
| Класс энергоэффективности | B…A+ |
| Блок аварийного питания | Да |
КСС
| DLK 218 HF | DLK 226 HF |
|
|
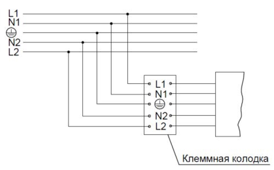
Схема электрических соединений
| Блок резервного питания | K-кл. колодка |
|
|
ГАБАРИТНЫЕ РАЗМЕРЫ
Таблица кодов заказа светильников
| Название | Кол-во ламп | Мощность | Балласт | Цоколь | Тип лампы | Длина | Ширина | Артикул |
|---|---|---|---|---|---|---|---|---|
| DLK 218 HF | 2 | 36 Вт | ЭПРА | G24q-2 | КЛЛ | 270 мм | 270 мм | 1187000020 |
| DLK 226 HF | 2 | 52 Вт | ЭПРА | G24q-3 | КЛЛ | 270 мм | 270 мм | 1187000070 |
| DLK 226 HF ES1 | 2 | 52 Вт | ЭПРА | G24q-3 | КЛЛ | 270 мм | 270 мм | 1187000080 |
Похожие товары
Downlight светильники на объектах
Перейти в галерею


