GRILIATO Светильник для потолка типа
| Область применения: |
|
| Назначение: |
|
| Мощность: | 56-72 Вт |
| Источник света: | Люминесцентная лампа (ЛЛ) |
| Цоколь: | G5, G13 |
| Номинальное напряжение: | 230 В |
| Класс защиты по току: | I |
| Класс защиты IP: | IP20 |
| Климатическое исполнение: | УХЛ4 |
| Артикул производителя: | GRILIATO |
| Гарантийный срок: | 3 года |
| Габаритные размеры: | см. чертёж |
| Наличие: | |
| Количество: | |
| Цвет свечения: |
Производитель «Световые технологии», Россия
ОПИСАНИЕ
Осветительные приборы с дополнительной маркировкой GRILIATO устанавливаются в актовых залах, гипермаркетах, банках, гостиницах, жилых домах.
При монтаже светильники фиксируются с помощью подвесов, являющихся аксессуарным изделием, приобретаемым дополнительно.
Модели, рекомендуемые для встраивания в модульные решетчатые потолки, имеют прямоугольную или квадратную конфигурацию, совпадающую с форматом оборудуемых профильных ячеек. Светильник эксплуатируется с 4-мя идентичными источниками света: лампы Т5 (14 Вт) или Т8 (18 Вт). Тип ПРА – электронный. Имеются версии с блоком аварийного питания. В интервале времени, зависящем от емкости АКБ, работа одной лампы осуществляется в экономичном режиме (интенсивность света в % от номинальной). Оптическая часть светильников представлена несколькими вариантами: зеркальный или белый растр, параболическая или бипараболическая растровая решетка, опаловый или призматический рассеиватель, установленный в рамку.
Стальной корпус всех рекомендуемых модификаций Грильято окрашен в белый цвет порошковым методом. Оптическая часть устанавливается при помощи скрытых пружин. Степень защиты, соблюдаемая конструкцией светильника – IP20.
Светильник соответствует требованиям безопасности ГОСТ P МЭК 60598-2-2, ГОСТ Р МЭК 60598-1 и ЭМС по ГОСТ P 51318.
Комплект поставки
Светильник (без ламп), шт. - 1
Упаковка, шт. - 1
Паспорт, шт. - 1
Установка
Устанавливаются на подвесах (не входят в комплект поставки) в потолки типа Грильято.
Конструкция
Цельнометаллический корпус из листовой стали, покрытый белой порошковой краской.
Оптическая часть
Зеркальная растровая решетка (ARS). Зеркальная параболическая решетка (PRB). Зеркальная бипараболическая решетка (PTF). Белая растровая решетка (WRS). Рассеиватель в металлической рамке (OPL, PRS).
Параметры
| Диммирование | - |
| cosFI | > 0,96 |
| AC/DC | Да |
| EMC | Да |
| Температурный режим | +5,+35 C |
| Цвет корпуса | белый |
| Класс пожароопасности | - |
| Коэффициент пульсации | <3% |
| Ударопрочность | IK02/0,2 Дж |
| Класс энергоэффективности | A, A+ |
| Блок аварийного питания | Да |
КСС
| ARS/R 418 | OPL/R 418 | PRS/R 418 | PTF/R 414 |
|
|
|
|
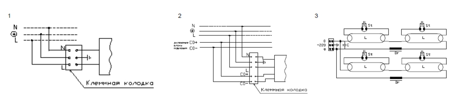
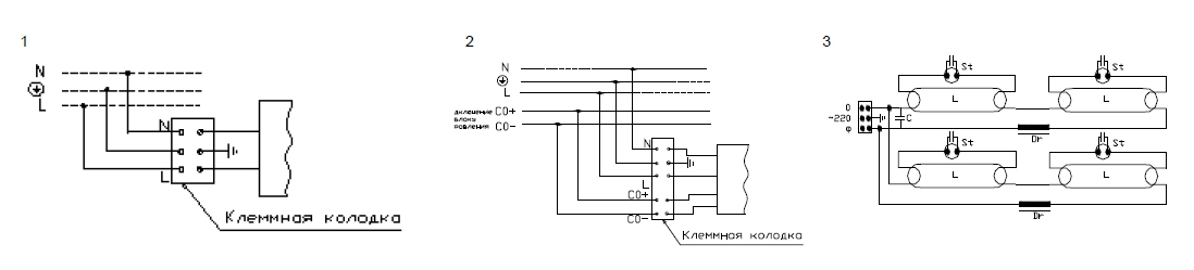
Схемы подключения
L - лампа
Dr - дроссель
St - стартер
C - Компенсационный конденсатор
Аксессуары
| Название | Кол-во на одну модель | Артикул | Вес, кг |
|---|---|---|---|
| Клипса г/к | 4 | 2905000110 | 0.018 |
ГАБАРИТНЫЕ РАЗМЕРЫ
Таблица кодов заказа светильников
| Название | Кол-во ламп | Мощность | Балласт | Цоколь | Тип лампы | Длина | Ширина | Артикул |
|---|---|---|---|---|---|---|---|---|
| ARS/R 418 /595/ HF ES1 GRILIATO | 4 | 72 Вт | ЭПРА | G13 | ЛЛ | 624 мм | 595 мм | 1015000190 |
| ARS/R 418 /595/ HF GRILIATO | 4 | 72 Вт | ЭПРА | G13 | ЛЛ | 624 мм | 595 мм | 1015000210 |
| OPL/R 418 /595/ HF ES1 GRILIATO | 4 | 72 Вт | ЭПРА | G13 | ЛЛ | 589 мм | 589 мм | 1027000130 |
| OPL/R 418 /595/ HF GRILIATO | 4 | 72 Вт | ЭПРА | G13 | ЛЛ | 595 мм | 595 мм | 1027000150 |
| PRB/R 418 /595/ HF ES1 GRILIATO | 4 | 72 Вт | ЭПРА | G13 | ЛЛ | 610 мм | 590 мм | 1017000510 |
| PRB/R 418 /595/ HF GRILIATO | 4 | 72 Вт | ЭПРА | G13 | ЛЛ | 610 мм | 590 мм | 1017000130 |
| PRS/R 418 //595/ HF GRILIATO | 4 | 72 Вт | ЭПРА | G13 | ЛЛ | 1195 мм | 595 мм | 1031000210 |
| PTF/R 414 HF mirr. perf. GRILIATO | 4 | 56 Вт | ЭПРА | G5 | ЛЛ | 590 мм | 590 мм | 1021000370 |
Похожие товары
Вы недавно смотрели
Встраиваемые светильники на объектах
Перейти в галерею


