LED MALL ECO Светодиодный пылевлагозащищенный светильник серии LINE

Область применения: |
|
Назначение: |
|
Мощность: | 38-148 Вт |
Источник света: | Светодиоды (LED) |
Номинальное напряжение: | 230 В |
Класс защиты по току: | I |
Класс защиты IP: | IP54 |
Климатическое исполнение: | УХЛ4 |
Артикул производителя: | LED MALL ECO |
Гарантийный срок: | 3 года |
Индекс цветопередачи: | >80 Ra |
Цветовая температура: | 4000 К |
Световой поток: | 4100-16000 лм |
Габаритные размеры: | см. чертёж |
Наличие: | |
Количество: | |
Цвет свечения: |
Производитель «Световые технологии», Россия
ОПИСАНИЕ
Модель светильника LED MALL ECO применяется для освещения торговых залов в супер- и гипермаркетах, бутиков, логистических центров и складов, участков предприятий.
Осветительные приборы используют для одиночной установки или при построении накладных или подвесных осветительных линий. Удобство подключения и объединения обеспечивают аксессуары, подбираемые по потребности.
Светильники подключаются в одно и трехфазную сеть. Драйвер является частью изделия. Светодиодные модули излучают свет в количестве от 4100 до 16000 лм. Цвет света в модельном ряду: теплый или нейтрально белый. Активно потребляемая мощность составляет до 98% от общего количества (38 – 148 Вт). В модельный ряд ходят изделия для одиночного и транзитного подключения. Доступен выбор модификаций с блоком резервного питания и регулируемым драйвером, позволяющим изменять освещенность. Светообразование – равномерное, пульсации – до 5%.
В состав оптической части может входить линза, изготовленная из полиметилметакрилата или опаловый рассеиватель. Корпус модели LED MALL ECO – алюминиевый. Объединение составных частей и поддержание герметичности вводов, обеспечивают степень защиты IP54. На наружную часть корпуса нанесено порошковое окрашивание.
Светильник соответствует требованиям безопасности ТР ТС 004/2011 «О безопасности низковольтного оборудования», ТР ТС 020/2011 «Электромагнитная совместимость технических средств», ГОСТ CISPR 15-2004 (напряжение индустриальных радиопомех) и ГОСТ Р 51317.3.2-2006 (гармонические составляющие тока).
Для светильников, выпускаемых в исполнении УХЛ4* по ГОСТ 15150-69, нижнее рабочее значение температуры окружающего воздуха +5°С.
Комплект поставки
Светильник, шт. - 1
Упаковка, шт. - 1
Паспорт, шт. - 1
Инструкция, шт. - 1
Установка
Крепление на поверхность потолка на скобы или на подвесах. При стыковке светильников в линию используется скоба соединительная LED MALL ECO (1 шт на каждое соединение). Для герметичного электрического соединения и для подключения питания используется кабельный соединитель THB. Минимально необходимое число подвесов при установке в линию - 1 комплект подвеса/скоб на 1 светильник. Кабельный соединитель, комплект скоб для установки на опорную поверхность LED MALL ECO или комплект подвеса LED MALL ECO поставляются отдельно.
Конструкция
Корпус из экструдированного алюминия, покрытый белой порошковой краской. Источник питания установлен в корпусе.
Оптическая часть
Опаловый рассеиватель или линза из ПММА. Тип светодиодов: SMD.
Параметры
PFС | > 0,98 |
AC/DC | Да |
Диммирование | - |
EMC | Да |
Температурный режим | от +5 до +35 C |
Цвет корпуса | белый, серебристый |
Класс пожароопасности | - |
Коэффициент пульсации | <5% |
Ударопрочность | - |
Класс энергоэффективности | A+ |
Пусковой ток | 20 A |
Блок аварийного питания | - |
КСС
LED MALL ECO 2х35 IP54 | LED MALL ECO 2х70 IP54 | LED MALL ECO 35 IP54 | LED MALL ECO 70 D30 IP54 | LED MALL ECO 70 IP54 EM |
![]() |
![]() |
![]() |
![]() |
![]() |
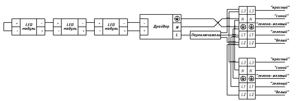
Схемы электрических соединений
для базовой версии светильников | для версии светильников с аварийным блоком | для версии с 3-х фазной проводкой | для версии с HFR |
![]() |
![]() |
![]() |
![]() |
Аксессуары
Название | Кол-во на одну модель | Артикул | Вес, кг |
---|---|---|---|
Скоба крепления на опорную поверхность LED MALL ECO | 1 | 2598000120 | 0.0057 |
Комплект подвеса LED MALL ECO | 1 | 2598000130 | 0.13 |
Скоба соединительная LED MALL ECO | 1 | 2598000140 | 0.06 |
ГАБАРИТНЫЕ РАЗМЕРЫ
Таблица кодов заказа светильников
Название | Световой поток | Мощность | лм/Вт | Длина | Ширина | Вес | Артикул |
---|---|---|---|---|---|---|---|
LED MALL ECO 35 D30 IP54 4000K | 4800 лм | 38 Вт | 126 | 1500 мм | 53 мм | 3,400 кг | 1598000550 |
LED MALL ECO 35 IP54 4000K | 4100 лм | 38 Вт | 108 | 1500 мм | 53 мм | 3,000 кг | 1598000510 |
LED MALL ECO 35 S IP54 4000K | 4300 лм | 39 Вт | 110 | 1500 мм | 53 мм | 3,000 кг | 1598000590 |
LED MALL ECO 2х35 IP54 4000K | 8100 лм | 74 Вт | 109 | 3000 мм | 55 мм | 6,700 кг | 1598000520 |
LED MALL ECO 70 D30 IP54 4000K | 8900 лм | 74 Вт | 120 | 1500 мм | 53 мм | 3,500 кг | 1598000490 |
LED MALL ECO 70 D30 IP54 EM 4000K | 8900 лм | 74 Вт | 120 | 1500 мм | 55 мм | 4,700 кг | 1598000480 |
LED MALL ECO 70 D30 IP54 /main line harness/ 4000K | 8900 лм | 74 Вт | 120 | 1500 мм | 53 мм | 3,500 кг | 1598000620 |
LED MALL ECO 70 IP54 3000K | 7300 лм | 74 Вт | 99 | 1500 мм | 53 мм | 3,100 кг | 1598000610 |
LED MALL ECO 70 IP54 4000K | 7800 лм | 74 Вт | 105 | 1500 мм | 53 мм | 3,100 кг | 1598000460 |
LED MALL ECO 70 IP54 EM 4000K | 8100 лм | 74 Вт | 109 | 1500 мм | 55 мм | 4,300 кг | 1598000470 |
LED MALL ECO 70 IP54 ME6 EM 4000K | 8100 лм | 74 Вт | 109 | 1500 мм | 55 мм | 4,300 кг | 1598000850 |
LED MALL ECO 70 S IP54 4000K | 8100 лм | 74 Вт | 109 | 1500 мм | 53 мм | 3,100 кг | 1598000580 |
LED MALL ECO 70 S IP54 EM 4000K | 8100 лм | 74 Вт | 109 | 1500 мм | 55 мм | 4,300 кг | 1598000570 |
LED MALL ECO 2x70 IP54 /main line harness/ 4000K | 16000 лм | 148 Вт | 108 | 3000 мм | 55 мм | 7,100 кг | 2598000180 |
LED MALL ECO 2х70 IP54 4000K | 16000 лм | 148 Вт | 108 | 3000 мм | 55 мм | 7,100 кг | 1598000640 |
Похожие товары

ЖСП50, РСП50, ГСП50, НСП50 Серия 50

ЖСП50, РСП50, ГСП50, НСП50 Серия 50

ЖСП50, РСП50, ГСП50, НСП50 Серия 50

ЖСП50, РСП50, ГСП50, НСП50 Серия 50

ЖСП/ГСП51, РСП51 Гермес

ЖСП/ГСП51, РСП51 Гермес

ЖСП/ГСП51, РСП51 Гермес

ЖСП/ГСП51, РСП51 Гермес
Вы недавно смотрели
