LINER/R LED 1200 CF Встраиваемая световая линия
| Область применения: |
|
| Назначение: |
|
| Мощность: | 27 Вт |
| Источник света: | Светодиоды (LED) |
| Номинальное напряжение: | 230 В |
| Класс защиты по току: | I |
| Класс защиты IP: | IP20 |
| Климатическое исполнение: | УХЛ4 |
| Артикул производителя: | LINER/R LED 1200 CF |
| Гарантийный срок: | 3 года |
| Индекс цветопередачи: | >80 Ra |
| Цветовая температура: | 2800-5800 К |
| Световой поток: | 2360 лм |
| Габаритные размеры: | см. чертёж |
| Наличие: | |
| Количество: | |
| Цвет свечения: |
Производитель «Световые технологии», Россия
ОПИСАНИЕ
Светильники, образующие световую линию LINER/R LED 1200 CF, или установленные одиночно, наполнят мягким рассеянным светом офисы, учебные аудитории, гостиничные холлы и коридоры, супер- и гипермаркеты, торгово-выставочные комплексы.
Модель встраивается в потолки, подшитые гипсокартоном. Монтажные кронштейны поставляются со светильником. Аксессуарным изделием являются торцевые крышки.
Мощность светодиодных кластеров, установленных в светильнике, составляет 28 Вт. Интенсивный световой поток, на образование которого расходуется не менее 90% потребляемой электроэнергии, равен 2360 лм. Для обеспечения диффузного светораспределения применен опаловый рассеиватель. Интенсивность света можно изменять посредством диммируемого драйвера. Управляющий протокол – DALI. Доступность изменения цветовой температуры света (2800К – 5800К) становится реальной, при подключении к управляющей системе. Для ее комплектации в состав аксессуаров входят роутеры и модули (ползунковый и кнопочный).
Встраиваемая часть корпуса одиночного светильника имеет размер: 1146х105х88 мм. Наружный формат рамки, в которую вставлен рассеиватель: 1170х127 мм. Окрашивание металлических частей выполняется порошковым методом. Обретаемый цвет: белый или металлик.
Светильник предназначен для соединения в линию. Светильник может быть установлен в потолочную нишу из нормально воспламеняемого материала. При установке в линию необходимо заказать комплект торцевых крышек (в комплект поставки не входит). Для изменения цветовой температуры светильника LINER/R LED 1200 CF необходимо использовать систему управления освещением (поставляется по отдельному заказу).
Комплект поставки
Светильник, шт. - 1
Комплект крепежа, шт. - 1
Комплект торцевых крышек (поставляется по отдельному заказу), шт. - 1
Упаковка, шт. - 1
Паспорт, шт. - 1
Установка
Встраиваются в подшивные потолки из гипсокартона с помощью кронштейнов (идут в комплекте). LINER/R LED 1200 CF – светильники для соединения как в линию, так и одиночно. При установке в линию необходимо заказать комплект крышек. Код заказа комплекта крышек для светильников - 2471000010. Для регулирования цветовой температурой светильника необходима система управления освещением. Компоненты системы управления находятся во вкладке Аксессуары.
Конструкция
Корпус светильника изготовлен из алюминиевого профиля, окрашенного порошковой краской белого цвета.
Оптическая часть
Опаловый рассеиватель из ПММА. Тип светодиодов: SMD
Параметры
| PFС | > 0,90 |
| AC/DC | Да |
| Диммирование | Протокол DALI |
| EMC | Да |
| Температурный режим | +5,+35 C |
| Цвет корпуса | серебристый |
| Класс пожароопасности | - |
| Коэффициент пульсации | <5% |
| Ударопрочность | IK02/0,2 Дж |
| Класс энергоэффективности | A |
| Пусковой ток | 20 A |
| Блок аварийного питания | - |
КСС
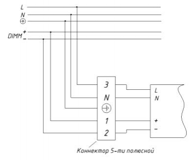
Схема электрических соединений с диммируемым драйвером
Схема подключения роутера
Аксессуары
| Название | Кол-во на одну модель | Артикул | Вес, кг |
|---|---|---|---|
| Комплект крышек LINER/R DR, LR белый | 1 | 2471000010 | 0.35 |
| Комплект крышек LINER/R DR, LR металлик | 1 | 2471000020 | 0.35 |
| 7-кнопочный модуль 125202, матовая нержавейка | 1 | 4911002900 | 0.143 |
| Двухползунковый модуль 111202, матовая нержавейка | 1 | 4911002910 | 0.09 |
| Роутер DigiDim 905 | 1 | 4911003310 | 0.255 |
| Роутер DigiDim 910 | 1 | 5911000100 | 0.26 |
ГАБАРИТНЫЕ РАЗМЕРЫ
Таблица кодов заказа светильников
| Название | Световой поток | Мощность | лм/Вт | Диаметр | Высота | Вес | Артикул |
|---|---|---|---|---|---|---|---|
| LINER/R LED 1200 CF | 2360 лм | 27 Вт | 87 | 1140 мм | 88 мм | 4,800 кг | 1474000370 |
Похожие товары
Вы недавно смотрели
Встраиваемые светильники на объектах
Перейти в галерею


