LZ.OPL ECO LED Светодиодный светильник
| Область применения: |
|
| Назначение: |
|
| Мощность: | 26-65 Вт |
| Источник света: | Светодиоды (LED) |
| Номинальное напряжение: | 230 В |
| Класс защиты по току: | II |
| Класс защиты IP: | IP65 |
| Климатическое исполнение: | УХЛ2 |
| Артикул производителя: | LZ.OPL ECO LED |
| Гарантийный срок: | 3 года |
| Индекс цветопередачи: | >80 Ra |
| Цветовая температура: | 5000 К |
| Световой поток: | 2700-6000 лм |
| Габаритные размеры: | см. чертёж |
| Наличие: | |
| Количество: | |
| Цвет свечения: |
Производитель «Световые технологии», Россия
ОПИСАНИЕ
Осветительные приборы LZ. OPL ECO LED применяются для освещения производственных цехов, технологических линий, складов готовой продукции, гаражей, паркингов.
Установочные элементы для закрепления светильника на потолке или стене являются частью базовой поставки.
Выбор оптимальной модификации построен на наличии изделий со световым потоком: 2700, 4500, 6000 лм. Потребляемая мощность 26 – 65 Вт используется на процесс светообразования с эффективностью, характеризуемой cosϕ≥0,9. Продуктивность осуществляемой деятельности поддерживает цветовая температура света – 5000К, минимизированные пульсации освещенности (<5%), исключающие вероятность стробоскопического эффекта и повышенной утомляемости зрения и хорошая цветопередача (Ra>80). Режим аварийного освещения реализуется изделиями с БАП. Регулируемые версии управляются по протоколу DALI.
Конструктивные меры (IP65) исключают влияние на работу LED, драйвера, БАП, содержащихся в воздушной среде обременяющих компонентов: влаги, пыли, твердых частиц. Поликарбонатные составные части: корпус и опаловый рассеиватель наделены ударопрочностью. Объединительные защелки – металлические. Эксплуатационный температурный диапазон: -30°С – +40°С.
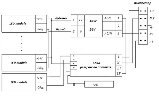
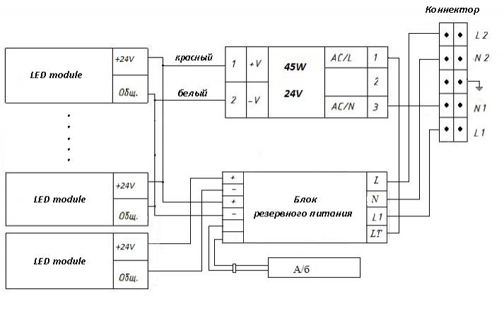
Светильник обеспечивает работу одного LED module при аварийном отключении питающего напряжения. Батарея поддерживает работу LED module не менее 1 часа в данном режиме. Световой поток LED module при этом составляет 12% от номинального.
Светильник соответствует требованиям безопасности ТР ТС 004/2011 «О безопасности низковольтного оборудования», ТР ТС 020/2011 «Электромагнитная совместимость технических средств».
Максимальная ударная нагрузка для светильников LZ ECO LED – 6,5 Дж.
Комплект поставки
Светильник, шт. - 1
Упаковка, шт. - 1
Паспорт, шт. - 1
Гермоизолятор, шт. - 2
Комплект установочных пластин и скоб - 1
Установка
Крепление на поверхность потолка и стен, а также на подвесах в помещении или под навесом. В комплект входят установочные пластины и скобы.
Конструкция
Корпус серого цвета из поликарбоната.
Оптическая часть
Опаловый (OPL) рассеиватель из поликарбоната крепится к корпусу металлическими защелками. Тип светодиодов: SMD.
Характеристики
Цветовая температура - 5000К (4000К - под заказ). Индекс цветопередачи - 80. Максимальное сечение жил питающего кабеля: 2х2,5 мм2.
Параметры
| PFС | > 0,90 |
| AC/DC | Да |
| Диммирование | Протокол DALI |
| EMC | Да |
| Температурный режим | от -30 до +40 C |
| Цвет корпуса | серый |
| Класс пожароопасности | - |
| Коэффициент пульсации | <5% |
| Ударопрочность | IK08/6,5 Дж |
| Класс энергоэффективности | A+ |
| Пусковой ток | 20, 35 A |
| Блок аварийного питания | Да |
КСС
| LZ.OPL ECO LED 600 | LZ.OPL ECO LED 1200 | LZ.OPL ECO LED 1200 EM |
|
|
|
Схема электрических соединений
ГАБАРИТНЫЕ РАЗМЕРЫ
Таблица кодов заказа светильников
| Название | Световой поток | Мощность | лм/Вт | Длина | Ширина | Вес | Артикул |
|---|---|---|---|---|---|---|---|
| LZ.OPL ECO LED 600 5000K | 2700 лм | 26 Вт | 104 | 660 мм | 173 мм | 2,400 кг | 1074000500 |
| LZ.OPL ECO LED 1200 5000K | 4500 лм | 45 Вт | 100 | 1270 мм | 173 мм | 3,700 кг | 1074000470 |
| LZ.OPL ECO LED 1200 HFD 5000K | 4500 лм | 45 Вт | 100 | 1270 мм | 173 мм | 3,700 кг | 1074000550 |
| LZ.OPL ECO LED 1200 EM 5000K | 4500 лм | 46 Вт | 98 | 1272 мм | 173 мм | 4,200 кг | 1074000510 |
| LZ.OPL ECO LED 1500 5000K | 6000 лм | 65 Вт | 92 | 1572 мм | 173 мм | 4,900 кг | 1074000520 |
| LZ.OPL ECO LED 1500 EM 5000K | 6000 лм | 65 Вт | 92 | 1572 мм | 173 мм | 5,400 кг | 1074000540 |
Похожие товары
ЖСП50, РСП50, ГСП50, НСП50 Серия 50
ЖСП50, РСП50, ГСП50, НСП50 Серия 50
ЖСП50, РСП50, ГСП50, НСП50 Серия 50
ЖСП50, РСП50, ГСП50, НСП50 Серия 50
ЖСП/ГСП51, РСП51 Гермес
ЖСП/ГСП51, РСП51 Гермес
ЖСП/ГСП51, РСП51 Гермес
ЖСП/ГСП51, РСП51 Гермес
Вы недавно смотрели


