PRB/R Светильник с зеркальной параболической решеткой
| Область применения: |
|
| Назначение: |
|
| Мощность: | 36-144 Вт |
| Источник света: | Люминесцентная лампа (ЛЛ) |
| Цоколь: | G13 |
| Номинальное напряжение: | 230 В |
| Класс защиты по току: | I |
| Класс защиты IP: | IP20 |
| Климатическое исполнение: | УХЛ4 |
| Артикул производителя: | PRB/R |
| Гарантийный срок: | 3 года |
| Габаритные размеры: | см. чертёж |
| Наличие: | |
| Количество: | |
| Цвет свечения: |
Производитель «Световые технологии», Россия
ОПИСАНИЕ
Осветительные приборы PRB/R применяются для освещения гипер- и супермаркетов, офисных и административных кабинетов, учебных помещений объектов образования.
Модель встраивается в подвесные потолки типа Армстронг, располагаясь на полках Т-образного несущего профиля. Встраиваемый монтаж также осуществляется в потолки, подшитые гипсокартоном. Фиксацию обеспечит аксессуарный комплект клипс.
Источник света газоразрядный: 2 или 4 трубчатые люминесцентные лампы Т8. Мощность изделий модельного ряда: 36, 72, 144 Вт. Работу ламп поддерживает ЭПРА, что увеличивает срок их службы, снижает потери (доля активно расходуемой электроэнергии не менее 96%), исключает стробоскопический эффект (пульсации менее 5%). Защитный угол светильника формирует параболическая решетка, изготовленная из зеркального алюминия. Имеются версии изделия, дополненные блоком аварийного питания. Длительность автономной работы одной из установленных в светильнике ламп, 3,5 часа, интенсивность света – 19% от номинала.
В стальной корпус светильника PRB/R экранирующая решетка устанавливается с помощью скрытых пружин. Форма корпуса – прямоугольная или квадратная (длина: 595, 605, 1195 мм, ширина: 295, 595, 605 мм).
В светильнике предусмотрена работа одной лампы в случае аварийного отключения питающего напряжения. Батарея блока резервного питания обеспечивает работу лампы в течение 3,5 часов в данном режиме. Световой поток лампы при этом составляет 19% от номинального.
Светильник соответствует требованиям безопасности ГОСТ P МЭК 60598-2-2-99,ЭМС ГОСТ P 51318-99 и ГОСТ P 51514-99.
Комплект поставки
Светильник (без ламп), шт. - 1
Упаковка, шт. - 1
Паспорт, шт. - 1
Установка
Встраиваются в подвесные потолки типа Армстронг или в подшивные потолки из гипсокартона с помощью клипс. Код заказа клипс — 2905000110 (6 штуки- для модификации 4x36, 4 штуки для остальных).
Конструкция
Цельнометаллический сварной корпус из листовой стали, покрытый белой порошковой краской . В корпусе установлен пускорегулирующая аппаратура.
Оптическая часть
Экранирующая решетка изготовлена из анодированного алюминия. Устанавливается в корпус скрытыми пружинами.
Параметры
| Диммирование | - |
| cosFI | > 0,96 |
| AC/DC | Да |
| EMC | Да |
| Температурный режим | +5,+35 C |
| Цвет корпуса | белый |
| Класс пожароопасности | - |
| Коэффициент пульсации | <5%, <45% |
| Ударопрочность | - |
| Класс энергоэффективности | A |
| Блок аварийного питания | Да |
КСС
| PRB/R 218 | PRB/R 418 |
|
|
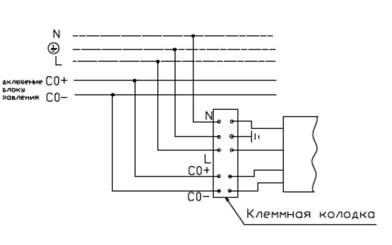
| Схемы электрических соединений | Схема подключения ТМ |
|
|
Аксессуары
| Название | Кол-во на одну модель | Артикул | Вес, кг |
|---|---|---|---|
| Клипса г/к | 4 | 2905000110 | 0.018 |
ГАБАРИТНЫЕ РАЗМЕРЫ
Таблица кодов заказа светильников
| Название | Кол-во ламп | Мощность | Балласт | Цоколь | Тип лампы | Длина | Ширина | Артикул |
|---|---|---|---|---|---|---|---|---|
| PRB/R 218 HF | 2 | 36 Вт | ЭПРА | G13 | ЛЛ | 595 мм | 295 мм | 1017000020 |
| PRB/R 236 HF | 2 | 72 Вт | ЭПРА | G13 | ЛЛ | 1195 мм | 295 мм | 1017000060 |
| PRB/R 418 /595/ HF | 4 | 72 Вт | ЭПРА | G13 | ЛЛ | 595 мм | 595 мм | 1017000182 |
| PRB/R 418 /595/ HF ES1 | 4 | 72 Вт | ЭПРА | G13 | ЛЛ | 595 мм | 595 мм | 1017000290 |
| PRB/R 418 /605/ HF | 4 | 72 Вт | ЭПРА | G13 | ЛЛ | 605 мм | 605 мм | 1017000230 |
| PRB/R 436 /595/ HF | 4 | 144 Вт | ЭПРА | G13 | ЛЛ | 1195 мм | 595 мм | 1017000350 |
Похожие товары
Вы недавно смотрели
Встраиваемые светильники на объектах
Перейти в галерею


