STEP Настенный светильник из экструзионного алюминия
| Область применения: |
|
| Назначение: |
|
| Мощность: | 14-35 Вт |
| Источник света: | Люминесцентная лампа (ЛЛ) |
| Цоколь: | G5 |
| Номинальное напряжение: | 230 В |
| Класс защиты по току: | I |
| Класс защиты IP: | IP20 |
| Климатическое исполнение: | УХЛ4 |
| Артикул производителя: | STEP |
| Гарантийный срок: | 3 года |
| Габаритные размеры: | см. чертёж |
| Наличие: | |
| Количество: | |
| Цвет свечения: |
Производитель «Световые технологии», Россия
ОПИСАНИЕ
Осветительные приборы STEP, формирующие диффузное распределение света, применяют для освещения кафе, баров, ресторанов, магазинов, бутиков, офисов, гостиниц, индивидуального жилья.
Модель устанавливается на стену или потолок освещаемого помещения, внося в него и декоративный компонент. При установке можно расположить модель произвольно, не придерживаясь строгой геометрии, что расширяет возможности декораторов.
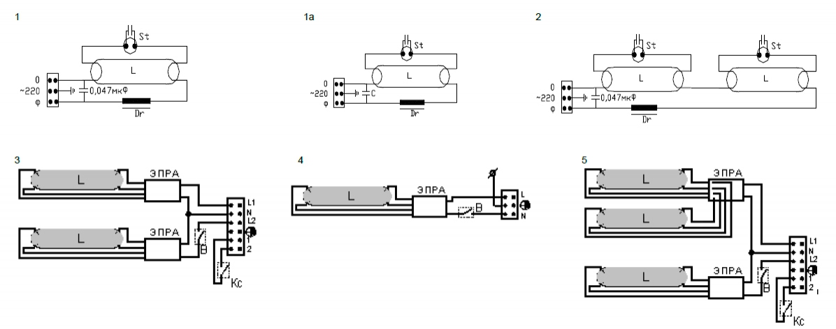
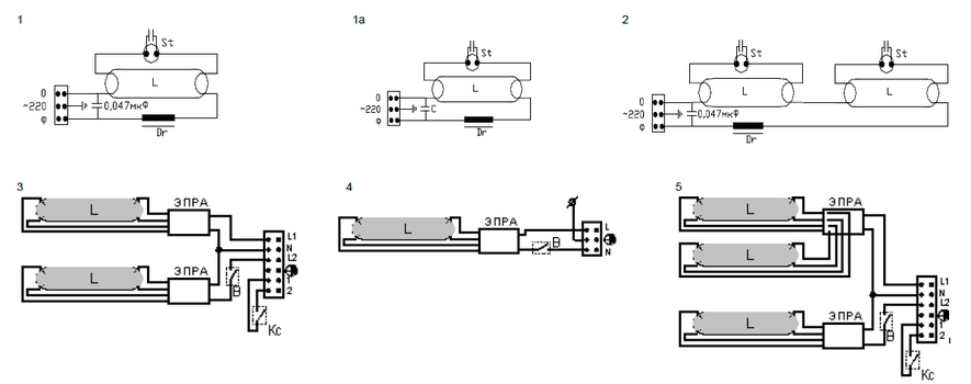
В модельном ряду изделия с лампой Т5, мощностью 14, 28, 35 Вт. В комплектацию входит ЭПРА. Увеличение мощности сопряжено с увеличением длины лампы и, соответственно, длины светильника: 675, 1275, 1575 мм. Ширина (153 мм) и толщина корпуса (45 мм) – неизменные параметры. При установке лампы отсоединяются торцевые кронштейны. Световое окно расположено по внутренней стороне корпуса, сто обеспечивает эффект отраженного света. Наличие ПРА не ведет к существенному снижению доли активно потребляемой электроэнергии, cosϕ>0,96.
Корпус светильника STEP изготовлен из алюминия. Окрашивание выполнено в цвет металлик. Изделие предназначено для эксплуатации в теплых помещения, для которых не характерно повышенное образование пыли или наличие влаги. Степень конструктивной защиты – IP20.
Светильник соответствует требованиям безопасности ГОСТ Р МЭК 60598-1, ГОСТ P МЭК 60598-2-1, (ГОСТ P МЭК 60598-2-25 для светильника BH, BH comfort), ЭМС ГОСТ P 51318-99, ГОСТ P 51514-99.
Комплект поставки
Светильник (без ламп), шт. - 1
Упаковка, шт. - 1
Паспорт, шт. - 1
Установка
На стену/потолок
Конструкция
Корпус изготовлен из алюминия, окрашенного в цвет серебристый металлик.
параметры
| Диммирование | - |
| cosFI | > 0,96 |
| AC/DC | - |
| EMC | Да |
| Температурный режим | от +5 до +35 C |
| Цвет корпуса | металлик |
| Класс пожароопасности | - |
| Коэффициент пульсации | - |
| Ударопрочность | - |
| Класс энергоэффективности | A…A+ |
| Блок аварийного питания | - |
ксс
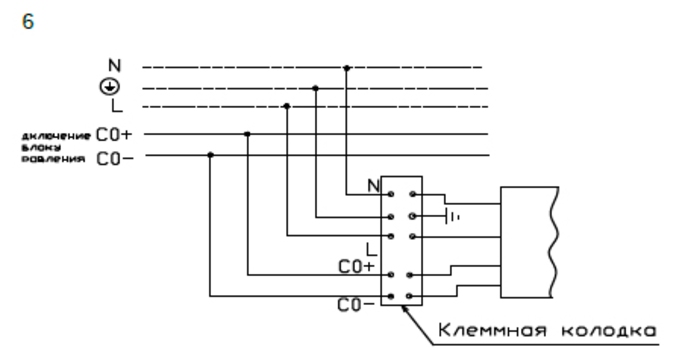
Схема подключения к питающей сети с регулируемым ЭПРА
ГАБАРИТНЫЕ РАЗМЕРЫ
Таблица кодов заказа светильников
| Название | Кол-во ламп | Мощность | Балласт | Цоколь | Тип лампы | Длина | Ширина | Артикул |
|---|---|---|---|---|---|---|---|---|
| STEP 114 | 1 | 14 Вт | ЭПРА | G5 | ЛЛ | 675 мм | 153 мм | 1097000010 |
| STEP 128 | 1 | 28 Вт | ЭПРА | G5 | ЛЛ | 1275 мм | 153 мм | 1097000020 |
| STEP 135 | 1 | 35 Вт | ЭПРА | G5 | ЛЛ | 1575 мм | 153 мм | 1097000030 |
Похожие товары
Освещение магазинов на объектах
Перейти в галерею


