Светильник встраиваемый ЖВУ25, РВУ25, ГВУ25, НВУ25 Серия 25
| Источник света: | Натриевая лампа (ДНаТ), Ртутная лампа (ДРЛ), Металлогалогенная лампа (МГЛ) |
| Цоколь: | E27 |
| Номинальное напряжение: | 220 ± 10% В |
| Номинальная частота: | 50 Гц |
| Класс защиты по току: | I |
| Класс защиты IP: | IP20 |
| Климатическое исполнение: | УХЛ1, У1 |
| Артикул производителя: | ЖВУ25, РВУ25, ГВУ25, НВУ25 |
| Мощность: | 50-125 Вт |
| Гарантийный срок: | 24 |
| Габаритные размеры: | см. таблицу |
| Индекс цветопередачи: | 20-30, 40-60, 60-95, 100 Ra |
| Цветовая температура: | 1800-2200, 3300-4200, 2800-6500, 2500-2800 К |
| Световой поток: | 4400, 3800, 5200, 1600 лм |
| Наличие: | |
| Количество: | |
| Цвет свечения: |
Производитель «GALAD», Россия
ОПИСАНИЕ
Выбор светильника ЖВУ25, РВУ25, ГВУ25, НВУ25 Серия 25 целесообразен, когда в освещаемое пространство: переход, проход не проникает вода, то есть они являются сухими.
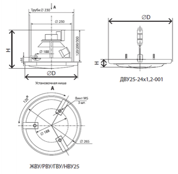
Монтаж изделия производится в нишу, устроенную в потолке, или потолок, имеющий подвесную конструкцию. Способ обслуживания – снизу.
Светильник работоспособен в однофазных сетях с перепадами напряжения до 10%. ЭмПРА размещен в корпусе. Лампы, с которыми эксплуатируется модель, должны иметь цоколь Е27. При выборе модификации отдается предпочтение не только мощности лампы (50–125 В), но и иным характерным источнику света особенностям: световой поток, цветопередача, цветовая температура.
Натриевая, металлогалогенная или ртутная лампа защищена стальным корпусом и стеклом. Корпус окрашен, что повышает устойчивость к агрессивным компонентам, ударопрочные свойства поликарбонатного стекла (прозрачного или молочного) усиливают ребра жесткости. Алюминиевый отражатель формирует КСС косинусного типа. Светильнику ЖВУ25, РВУ25, ГВУ25, НВУ25 Серия 25 свойственна виброустойчивость.
Освещение подземных пешеходных переходов, проходов, подъездов зданий
ТУ 3461-002-05758434-94
Преимущества
- Ударопрочное защитное стекло: светостабилизированный поликарбонат с ребрами жесткости, сохраняет коэффициент пропускания с течением времени
- Соответствует российским стандартам
- Виброустойчивый
Модификации
- 001 – с прозрачным защитным стеклом
- 002 – с молочным защитным стеклом
- Комплектуются встроенным ЭМПРА
- Цвет светильника по умолчанию: серый
КСС
УСТАНОВКА
Светильник рекомендуется устанавливать в нишу потолка или в подвесной потолок.
КОНСТРУКЦИЯ
Корпус: стальной, устойчивый к агрессивной среде. Отражатель: алюминиевый анодированный, с высоким коэффициентом отражения
ОПТИЧЕСКАЯ ЧАСТЬ
Оптический отсек – доступ снизу. Для замены лампы вывернуть винты, соединяющие корпус и защитное стекло в рамке. Снять рамку и кольцо с корпуса. Это обеспечит доступ к лампе с патроном.
ГАБАРИТНЫЕ РАЗМЕРЫ
Таблица кодов заказа светильников
|
Наименование |
Артикул |
Тип источника света |
Номинальная мощность, Вт |
Патрон |
КПД, % (не менее) |
Тип КСС |
Степень защиты светильника |
Габаритные размеры xH, мм |
Масса, кг |
|---|---|---|---|---|---|---|---|---|---|
|
ЖВУ25-50-001 |
1000711 |
ДНаТ |
50 |
Е27 |
49 |
косинусная |
IP20 |
350245 |
3,5 |
|
ЖВУ25-50-002 |
1000712 |
ДНаТ |
50 |
Е27 |
39 |
косинусная |
IP20 |
350245 |
3,5 |
|
ЖВУ25-70-001 |
1000713 |
ДНаТ |
70 |
Е27 |
41 |
косинусная |
IP20 |
350245 |
4,2 |
|
ЖВУ25-70-002 |
1000714 |
ДНаТ |
70 |
Е27 |
41 |
косинусная |
IP20 |
350245 |
4,2 |
|
РВУ25-80-001 |
1000715 |
ДРЛ |
80 |
Е27 |
29 |
косинусная |
IP20 |
350300 |
3,0 |
|
РВУ25-80-002 |
1000716 |
ДРЛ |
80 |
Е27 |
25 |
косинусная |
IP20 |
350300 |
3,0 |
|
РВУ25-125-001 |
1000717 |
ДРЛ |
125 |
Е27 |
29 |
косинусная |
IP20 |
350300 |
5,0 |
|
РВУ25-125-002 |
1000718 |
ДРЛ |
125 |
Е27 |
25 |
косинусная |
IP20 |
350300 |
5,0 |
|
ГВУ25-70-001 |
1000719 |
ДРИ |
70 |
Е27 |
43 |
косинусная |
IP20 |
350245 |
3,8 |
|
ГВУ25-70-002 |
1000720 |
ДРИ |
70 |
Е27 |
37 |
косинусная |
IP20 |
350245 |
3,8 |
|
ГВУ25-100-001 |
1000721 |
ДРИ |
100 |
Е27 |
44 |
косинусная |
IP20 |
350245 |
4,3 |
|
ГВУ25-100-002 |
1000722 |
ДРИ |
100 |
Е27 |
37 |
косинусная |
IP20 |
350245 |
4,3 |
|
НВУ25-100-001 |
1000723 |
ЛОН |
100 |
Е27 |
50 |
косинусная |
IP20 |
150165 |
3,0 |
|
НВУ25-100-002 |
1000724 |
ЛОН |
100 |
Е27 |
50 |
косинусная |
IP20 |
150165 |
3,0 |
Похожие товары
ЖВУ25, РВУ25, ГВУ25, НВУ25 Серия 25
ЖВУ25, РВУ25, ГВУ25, НВУ25 Серия 25
ЖВУ25, РВУ25, ГВУ25, НВУ25 Серия 25
ЖВУ25, РВУ25, ГВУ25, НВУ25 Серия 25
ЖВУ25, РВУ25, ГВУ25, НВУ25 Серия 25
ЖВУ25, РВУ25, ГВУ25, НВУ25 Серия 25
ЖВУ25, РВУ25, ГВУ25, НВУ25 Серия 25
GALAD АЗС LED
Вы недавно смотрели
Входные группы улица на объектах
Перейти в галерею


