ЛСП66Ех Т5 Взрывозащищенный светильник с люминесцентной лампой




Область применения: |
|
Назначение: |
|
Источник света: | Люминесцентная лампа Т5, Люминесцентная лампа (ЛЛ) |
Цоколь: | G5 |
Номинальное напряжение: | 220 В |
Номинальная частота: | 50 Гц |
Класс защиты по току: | I |
Класс защиты IP: | IP65 |
Артикул производителя: | ЛСП66Ех Т5 |
Мощность: | 2-80 Вт |
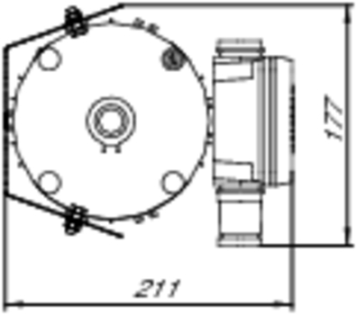
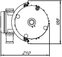
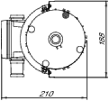
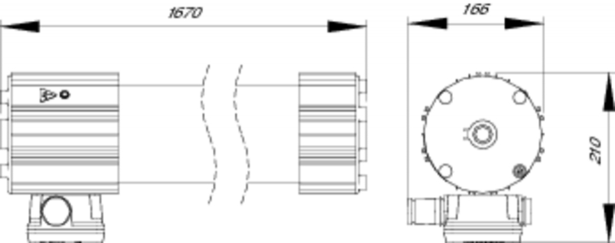
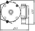
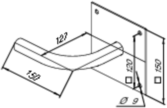
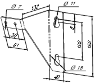
Габаритные размеры: | см. чертёж |
Наличие: | |
Количество: | |
Цвет свечения: |
Производитель «Гагаринский СТЗ», Россия
ОПИСАНИЕ
Осветительные приборы ЛСП66Ех Т5 применяются на промышленных объектах, технологический процесс которых в стандартной или аварийной ситуации может привести к образованию взрывоопасной среды в зонах 1 или 2. В сферу применения входят: химические, нефтеперерабатывающие, лакокрасочные, текстильные, деревообрабатывающие предприятия.
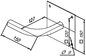
Светильник устанавливается подвесным способом на трубу и крюк, фиксируется настенно или прикреплением к потолку. Работы упрощает наличие креплений, входящих в базовый комплект или включаемых в комплектацию по заказу. Транзитный монтаж реализуется при дополнении базовой модификации вторым кабельным вводом.
В модельном ряду изделия четырех типоразмеров с ЭПРА. Модификации включают две лампы мощностью 24 (35, 39, 54) Вт и три лампы 39 (54, 80) Вт. Диапазон температуры, не отражающейся на работе светильника, от -20°С до +40°С. Установка отражателя обеспечит создание защитного угла 15°.
1-й уровень взрывозащиты обеспечен взрывонепроницаемой оболочкой и видом взрывозащиты вводной коробки. Оболочка образована при объединении резьбовым лабиринтом торцевых крышек и неразборного герметичного узла, состоящего из светопропускающей поликарбонатной трубы, запаянной в корпусные элементы. Герметичность конструкции – IP65.
Конструкция
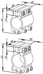
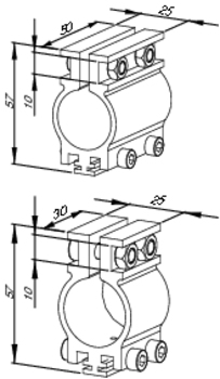
Оболочка светильника состоит из светопропускающего элемента — трубы из поликарбоната, герметично заделанной в два корпуса из алюминиевого профиля, что делает эту оболочку неразборной. С обеих сторон оболочка светильников соединяется с крышками посредством резьбового лабиринта, обеспечивающего взрывонепроницаемое соединение. На корпусе светильника герметично укреплена вводная коробка, конструкция которой допускает как тупиковый, так и транзитный монтаж светильников. Корпуса светильников имеют пять специальных пазов, которые позволяют крепить практически любые монтажные конструкции из металлических пластин с отверстиями при помощи болтов или гаек М6. Пазы исключают проворачивание головки болта или гайки. (см. рисунки). Во всех исполнениях светильников с люминесцентными лампами Т5 применяются только электронные ПРА.
Комплект поставки
Светильник поставляется с двумя универсальными скобами подвеса без решётки и отражателя, с одним кабельным вводом для тупикового монтажа
ОБЩИЕ ТЕХНИЧЕСКИЕ ХАРАКТЕРИСТИКИ
Коэффициент мощности, не менее | 0,85 |
Группа условий эксплуатации | М2 |
Диапазон рабочих температур | минус 20°C – плюс 40°C |
Монтаж | транзитный или тупиковый 3‑х жильным круглым кабелем от Ø9 до Ø16мм, сечением жил не более 2,5мм2 |
Защитный угол (с отражателем) | -15 градусов |
Сейсмостойкость | 9 баллов по шкале MSK-64 (кроме светильников мощностью 35, 49, 80 Вт. |
Срок службы | 10 лет |
Дополнительная комплектация
Варианты установки и крепежа
ГАБАРИТНЫЕ РАЗМЕРЫ
Таблица кодов заказа светильников
Артикул | Наименование светильника | Тип патрона | Маркировка взрывозащиты | Диапазон рабочих температур | Масса, кг | Типоразмер |
---|---|---|---|---|---|---|
127011 | ЛСП66 Ех Т5-2х24 | G5 | 1ExdsIIСT6 Х | -20°С…+40°С | 7,5 | 1 |
127017 | ЛСП66 Ех Т5-2х35 | G5 | 1ExdsIIBT6 X | -20°С…+40°С | 10 | 4 |
127020 | ЛСП66 Ех Т5-2х39 | G5 | 1ExdsIIСT6 Х | -20°С…+40°С | 8 | 2 |
127021 | ЛСП66 Ех Т5-3х39 | G5 | 1ExdsIIСT6 Х | -20°С…+40°С | 8 | 2 |
127026 | ЛСП66 Ех Т5-2х54 | G5 | 1ExdsIIСT6 Х | -20°С…+40°С | 9 | 3 |
127027 | ЛСП66 Ех Т5-3х54 | G5 | 1ExdsIIСT6 Х | -20°С…+40°С | 9 | 3 |
127030 | ЛСП66 Ех Т5-3х80 | G5 | 1ExdsIIBT6 X | -20°С…+40°С | 10 | 4 |
Похожие товары

Ex-ДСП (подвесной) Взрывозащищенный светодиодный светильник Fereks

Ex-ДСП (на кронштейне) Взрывозащищенный светодиодный светильник Fereks

Ex-ДВУ Взрывозащищенный светодиодный светильник Fereks

РСП25 / ЖСП25 / ГСП25 Ашасветотехника

РСП62 / ЖСП62 / ГСП62 Ашасветотехника

РСП69 / ЖСП69 / ГСП69 Ашасветотехника

РСП72 / ЖСП72 / ГСП72 Ашасветотехника

ЖО73 / ГО73 Ашасветотехника
Вы недавно смотрели
