Видар Г Взрывозащищенный светильник с металогалогенной лампой



Область применения: |
|
Назначение: |
|
Источник света: | Металлогалогенная лампа (МГЛ) |
Цоколь: | E40 |
Номинальное напряжение: | 220 В |
Номинальная частота: | 50 Гц |
Класс защиты по току: | I |
Класс защиты IP: | IP65 |
Климатическое исполнение: | УХЛ1 |
Артикул производителя: | Видар Г |
Мощность: | 250-400 Вт |
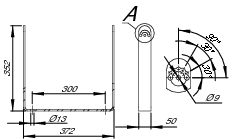
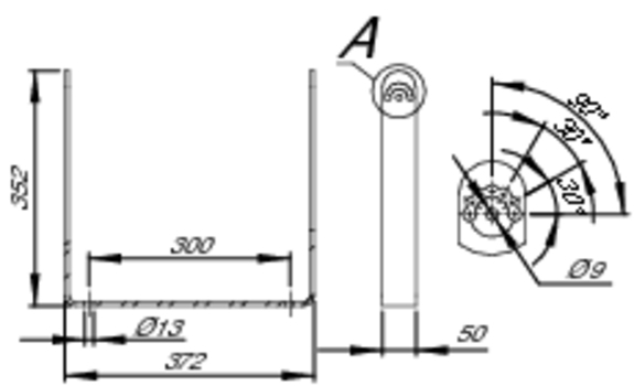
Габаритные размеры: | см. чертёж |
Наличие: | |
Количество: | |
Цвет свечения: |
Производитель «Гагаринский СТЗ», Россия
ОПИСАНИЕ
Светильники Видар Г применяются в производственных помещениях и на наружных территориях объектов химической, деревообрабатывающей, газовой, нефтеперерабатывающей, лакокрасочной, текстильной промышленности. Их использование поддерживает безопасность при образовании взрывоопасной среды в стандартном режиме функционирования (зона 1) и при аварийных ситуациях (зона 2).
Изделие закрепляется на трубе и монтажном профиле с использованием универсального подвеса, подвешивается на поворотном подвесе, рым-болтах. Вводная коробка с видом взрывозащиты «s» позволяет выполнять тупиковый и транзитный монтаж.
Работу ламп в сети 220 В поддерживает ПРА, который в одной из модификаций с ДРИ-400 – электронный, что исключает стробоскопический эффект, повышает эффективность и длительность работы. Изделие сохраняет своевременность зажигания и полноту световой отдачи при температуре среды: ±40°С, а для исполнения УХЛ1: -60°С – +40°С.
Резьбовой лабиринт как способ объединения обеспечивает взрывонепроницаемость оболочки, корпуса и неразборного узла, металлического кольца со светопропускающим колпаком. Резиновое уплотнительное кольцо повышает герметичность во внутренней полости (IP65).
Конструкция
Взрывонепроницаемая оболочка светильника состоит из двух частей — колпака и корпуса. Корпусные детали отлиты из коррозионностойкого алюминиевого сплава. Колпак представляет собой светопропускающий элемент, отлитый из боросиликатного стекла и герметично закрепленный в металлическом кольце. С корпусом колпак соединяется посредством резьбового лабиринта, обеспечивающего взрывонепроницаемое соединение. Для защиты внутреннего объема от влаги и пыли соединение уплотняется резиновым кольцом. На корпусе светильника герметично укреплена вводная коробка, конструкция которой допускает как тупиковый, так и транзитный монтаж светильников.
Комплект поставки
В базовом варианте светильник поставляется с двумя универсальными скобами подвеса, без решетки и отражателя, с одним кабельным вводом для тупикового монтажа.
ОБЩИЕ ТЕХНИЧЕСКИЕ ХАРАКТЕРИСТИКИ
Масса | 30 кг |
Коэффициент мощности, не менее | 0,85 |
Группа условий эксплуатации | М2 |
Монтаж | транзитный или тупиковый 3‑х жильным круглым кабелем от Ø9 до Ø16мм, сечением жил не более 2,5мм2 |
Защитный угол (с отражателем) | 15 градусов |
Срок службы | 10 лет |
Дополнительная комплектация
Фото | Наименование товара | Код |
---|---|---|
![]() |
Кабельный ввод «e» Schlemer | 910001 |
![]() |
Отражатель «ВИДАР» | 930701 |
![]() |
Решётка «ВИДАР» | 940701 |
![]() |
Поворотный подвес «ВИДАР» | 950701 |
![]() |
Рым болт М8 – 2 шт. | 960701 |
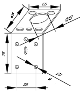
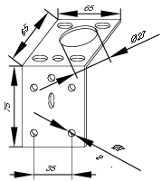
Варианты установки и крепежа
ГАБАРИТНЫЕ РАЗМЕРЫ
Таблица кодов заказа светильников
Артикул | Наименование светильника | Источник света | Маркировка взрывозащиты | Диапазон рабочих температур | Наличие ЭПРА |
---|---|---|---|---|---|
074001 | ВИДАР-Г-250 | ДРИ-250 Е40 | 1ExdsIICT5 | -40°С …+40°С | нет |
074004 | ВИДАР-Г-400 | ДРИ-400 Е40 | 1ExdsIICT4 | -40°С …+40°С | нет |
074005 | ВИДАР-Г-400 УХЛ1 | ДРИ-400 Е40 | 1ExdsIICT4 | -60°С …+40°С | нет |
074006 | ВИДАР-Г-400 ЭПРА | ДРИ-400 Е40 | 1ExdsIICT4 | -40°С …+40°С | есть |
Похожие товары

Ex-ДСП (подвесной) Взрывозащищенный светодиодный светильник Fereks

Ex-ДСП (на кронштейне) Взрывозащищенный светодиодный светильник Fereks

Ex-ДВУ Взрывозащищенный светодиодный светильник Fereks

РСП25 / ЖСП25 / ГСП25 Ашасветотехника

РСП62 / ЖСП62 / ГСП62 Ашасветотехника

РСП69 / ЖСП69 / ГСП69 Ашасветотехника

РСП72 / ЖСП72 / ГСП72 Ашасветотехника

ЖО73 / ГО73 Ашасветотехника
Вы недавно смотрели
