ОККф-11 Опоры круглоконические несиловые фланцевые


Область применения: |
|
Назначение: |
|
Высота: | 11 м |
Вес: | 155 кг |
Верхний диаметр: | 75 мм |
Нижний диаметр: | 196 мм |
Нагрузка на опору: | менее 300 кг |
Артикул производителя: | ОККф-11 |
Производитель «Пересвет», Россия
как выбрать опору?
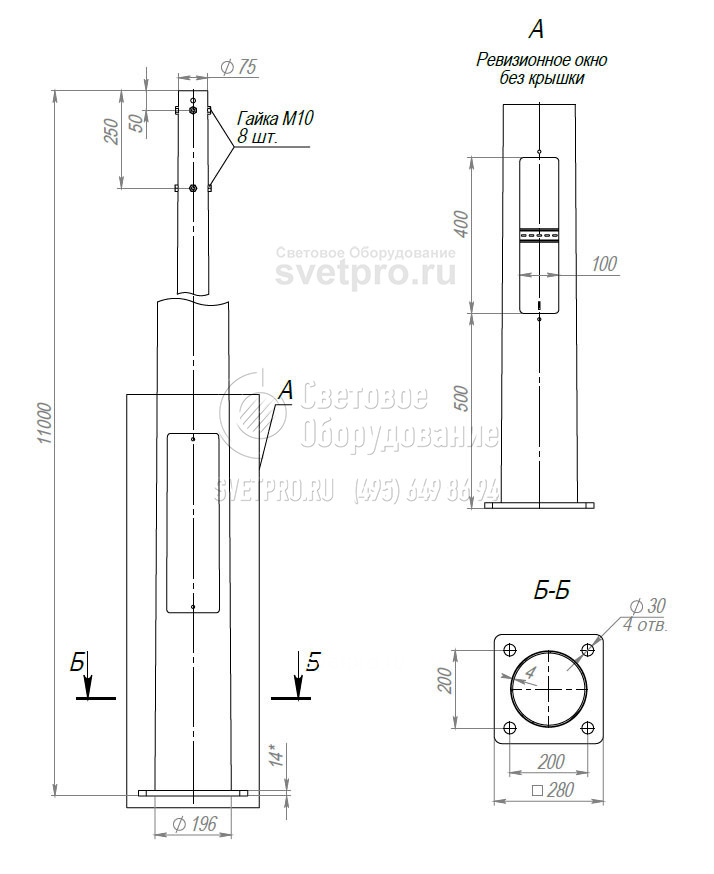
ГАБАРИТНЫЕ РАЗМЕРЫ
Таблица кодов заказа
Тип | Н, м | D1, мм | D2, мм | А/B, мм | d, мм | n, шт | b, мм | Посадочное место кронштейна | Масса, кг | Рекомендуемый фундаментный блок | Нагрузки на фундамент | ||
---|---|---|---|---|---|---|---|---|---|---|---|---|---|
М, т*м | N, т | Q, т | |||||||||||
ОККф-11-ц | 11 | 196 | 75 | 280/200 | 30 | 4 | 100 | К80 | 155 | ЗДФ-0,168-2,5 (К280-200-4х30) | 1,4 | 0,19 | 0,27 |
ОККф-11-ц+по | 11 | 196 | 75 | 280/200 | 30 | 4 | 100 | К80 | 155 | ЗДФ-0,168-2,5 (К280-200-4х30) | 1,4 | 0,19 | 0,27 |
H - высота
А/В - размер фланца
d - диаметр отверстий
n - кол-во отверстий
b - ширина люка
ц - цинк
по - порошковое окрашивание
ОПИСАНИЕ
ОККф - опоры круглоконические несиловые фланцевые. Предназначены для установки приборов освещения с подводом питания кабельной линией, выполненной под землей. Для возможности ввода кабеля в опору в ЗДФ выполняется сквозное отверстие. Несиловые опоры предназначены для восприятия нагрузок от климатических факторов и веса установленного оборудования. Основным критерием при выборе несущей способности опоры является наветренная площадь устанавливаемого оборудования и ветровой район объекта строительства. Ствол круглоконической опоры освещения выполнен из листового металла, имеет коническую форму и окружность в поперечном сечении. Круглоконические опоры применяются для установки светильников венчающего или консольного типов с использованием кронштейнов различных конфигураций.
Фотогалерея
Похожие товары

ОГК Опоры граненые конические

ОГС, ОГСп, ОГСГ, ОГУ Опоры граненые силовые

ОГКС Опоры граненые конические складывающиеся

ОГСКС Опоры граненые силовые контактной сети

ОКС Опоры круглые силовые

ОГКК Опоры квартальные граненые стальные бесфланцевые

ОТ Опоры трубчатые

ОГККЗ Опоры квартальные для подземной подводки питания (фланцевые)
Вы недавно смотрели
Статьи по теме
Силовые граненые опоры освещения

Применение силовых граненых опор, изготавливаемых из листового проката толщиной от 4-х мм, обеспечивает сочетание функции высотного размещения светильников (прожекторов), с подвесом СИП для воздушного подвода питающего кабеля, а также возможностью подвеса контактной сети городского электротранспорта. На опорах также размещаются рекламные и информационные щиты. Наличие возможности воздушного подвода кабеля не исключает применение внутреннего подвода. Опоры монтируются непосредственно в грунт – прямостоечная установка или на фундамент с закладной деталью – фланцевая установка. К преимуществам опор относится и малый вес за счет меньшего расхода метала по сравнению с трубчатыми опорами.
Консоли для установки фланцевых опор

Консоль используется для установки опоры с фланцем со смещением относительно вертикальной оси закладной детали. Она изготавливается под конкретные требования заказчика.
Выбор опор освещения в зависимости от места установки

Место установки - важный фактор при подборе опор. Такие специфические локации, как зона вечной мерзлоты, регион с сильным ветровым давлением, сейсмоопасная область, удаленная территория в горах, вносят серьезные коррективы в процесс проектирования.
