ОКСГф-1,8-9 Опоры контактной сети фланцевые
| Область применения: |
|
| Назначение: |
|
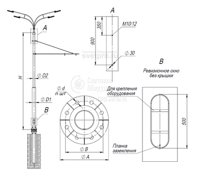
| Высота: | 9 м |
| Вес: | 550 кг |
| Верхний диаметр: | 273 мм |
| Нижний диаметр: | 426 мм |
| Нагрузка на опору: | 1800 кг |
| Артикул производителя: | ОКСГф-1,8-9 |
Производитель «Пересвет», Россия
Таблица кодов заказа
| Тип | Цена | Н, м | D1, мм | D2, мм | А/B, мм | d, мм | n, шт | Посадочное место кронштейна | Масса, кг | Рекомендуемый фундаментный блок |
|---|---|---|---|---|---|---|---|---|---|---|
| ОКСГф-1,8-9-01 | 161 783 ₽ | 9 | 426 | 273 | 630/530 | 40 | 10 | О285 | 550 | Д690-600-14х34 |
| ОКСГф-1,8-9-02 | 161 783 ₽ | 9 | 426 | 273 | 630/530 | 40 | 10 | О285 | 550 | Д690-600-14х34 |
H - высота
A/B - размер фланца
d - диаметр отверстий
n - кол-во отверстий
01 - воздушный подвод питающего кабеля
02 - подземный подвод питающего кабеля
как выбрать опору?
ГАБАРИТНЫЕ РАЗМЕРЫ
ОПИСАНИЕ
ОКСГф - опоры контактной сети граненые фланцевые совмещают в себе функцию поддерживающих устройств питающей линии контактной сети и элементов наружного освещения. В связи с этим опоры воспринимают большие нагрузки в сравнении с силовыми опорами, предназначенными исключительно для освещения, а также должны обладать большей жесткостью (отклонение под действием нагрузки не более 1/70 высоты опоры) для сохранения работоспособности контактной сети при различных климатических условиях. Ствол силовой граненой опоры контактной сети выполнен из листового металла методом последовательной гибки. В виду отсутствия поперечных сварных соединений обладают большей надежностью, а технология изготовления позволяет получить широкий набор типоразмеров по сравнению с трубчатыми аналогами.
Фотогалерея
Похожие товары
ОГК Опоры граненые конические
ОГС, ОГСп, ОГСГ, ОГУ Опоры граненые силовые
ОГКС Опоры граненые конические складывающиеся
ОГСКС Опоры граненые силовые контактной сети
ОКС Опоры круглые силовые
ОГКК Опоры квартальные граненые стальные бесфланцевые
ОТ Опоры трубчатые
ОГККЗ Опоры квартальные для подземной подводки питания (фланцевые)
Вы недавно смотрели
Статьи по теме
Влияние сейсмической активности на металлоконструкции
Для установки опор освещения в сейсмоактивных районах необходимо использовать сваи из бетона, которые имеют высокую сопротивляемость статическим нагрузкам, металлическую пластину для распределения веса металлоконструкции, демпфирующую прокладку для поглощения вибраций и фрикционную плоскость для регулировки силы трения.
Стальные фонари в виде столбиков для строительства систем наружного освещения
Стальные фонари в виде столбиков применяются для освещения небольших дорожек и площадок. Благодаря малой высоте они обеспечивают безопасность передвижения и не слепят прохожих.
Использование силовых опор для подвески СИП
Силовые опоры специально разработаны для подвески воздушного самонесущего изолированного провода. Они выдерживают нагрузку при размещении кабеля под любым углом к опоре.


